
Above are the ingredients necessary to make electricity. Hook them all together and you will likely have enough electricity to power a low current device. This is one of the oldest tricks in elementary electronics handbooks and so it makes a good feature as I dive into the world of power. Electricity is a very mysterious element that I am pretty sure not too many people really understand, yet we all take for granted every single day. Take me for example, a few months ago my entire knowledge of currents could be written on a very short list:
- Don’t put your fingers in an electric socket
- When you hear thunder and you are hiking up a mountain, turn around and head back down.
- I’d love to buy rechargeable batteries, but damn, they are so freakin expensive.
- Pay my electric bill every month so that my computer will remain on so I can write for this blog.
Well, it turns out there’s a lot more to it than that.

I certainly am not going to bore you to death with any details so let’s make this explanation a bit snappy. In the picture above, the nail is zinc plated, which when inserted into an acidic lemon begins to oxidize and shed electrons. Pennies tend to want those electrons, so if you hook a wire between it and the nail you will get a flow of electricity. Combine lemons and you will add on more voltage.

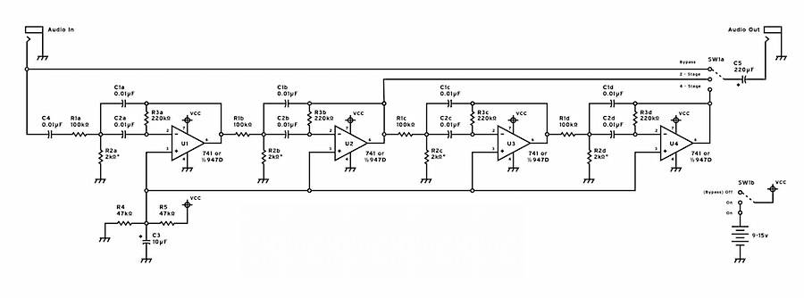
When diving into a new passion, sometimes our own very reserved brains will try and hold us back. Our brain says, I am not sure if I want to do that because I haven’t done it in the past. Well you are going to have to tell your brain to go screw itself. Instead – dive right in, make mistakes, and try out something new. By doing this you will build those skills and understandings of things that seem complex and with a little effort you will be able to master them. For example, just two days ago if you showed me this wiring schematic pictured below, I would have blinked, turned away, put on my sandals and walked out to the pasture to check out the cows that live practically in our backyard (because that would have made more sense).

…But now, the above diagram represents the basis for a secret project I am working on and will hopefully be revealing in a week or so. It will take my wooden devices to the next level. Can anyone guess what the heck will happen if you wire something up like the picture above?
I took a risk, read a few chapters in a book, and now I can. Go out this week, take some risks and learn new things so you can share your inventions with others. Share your creations instead of sharing your beers.
Cheers.



i’m so curious as to what this can be!!! great post.